Get the job done with the right equipment
Hydraulink provides a ‘matched system’ of hose and fittings, ensuring our products are engineered to work together to exceed international SAE and ISO standards and deliver outstanding application and safety performance. Our matched system provides optimal function, minimises risk and guarantees hose performance and safety for ultimate peace of mind when using Hydraulink as your supplier.
Hydraulink’s quality product is available in a complete range of braided and multispiral hydraulic hoses - for low to ultra high pressure applications. Our hose range includes speciality products for high abrasion, tight bend radius and high temperature applications.
The other integral part of the guaranteed matched system is Hydraulink’s fittings range which are manufactured to SAE and ISO standards - using premium steel stock sourced from European steel mills. Our comprehensive range of fittings is industry leading with over 5,000 product lines.
To compliment our product range, we also offer an assortment of accessories including Adaptors, Quick Release Couplers, Tube Clamps, Ball Valves, Assembly Equipment and Premium Hydraulic Oils.
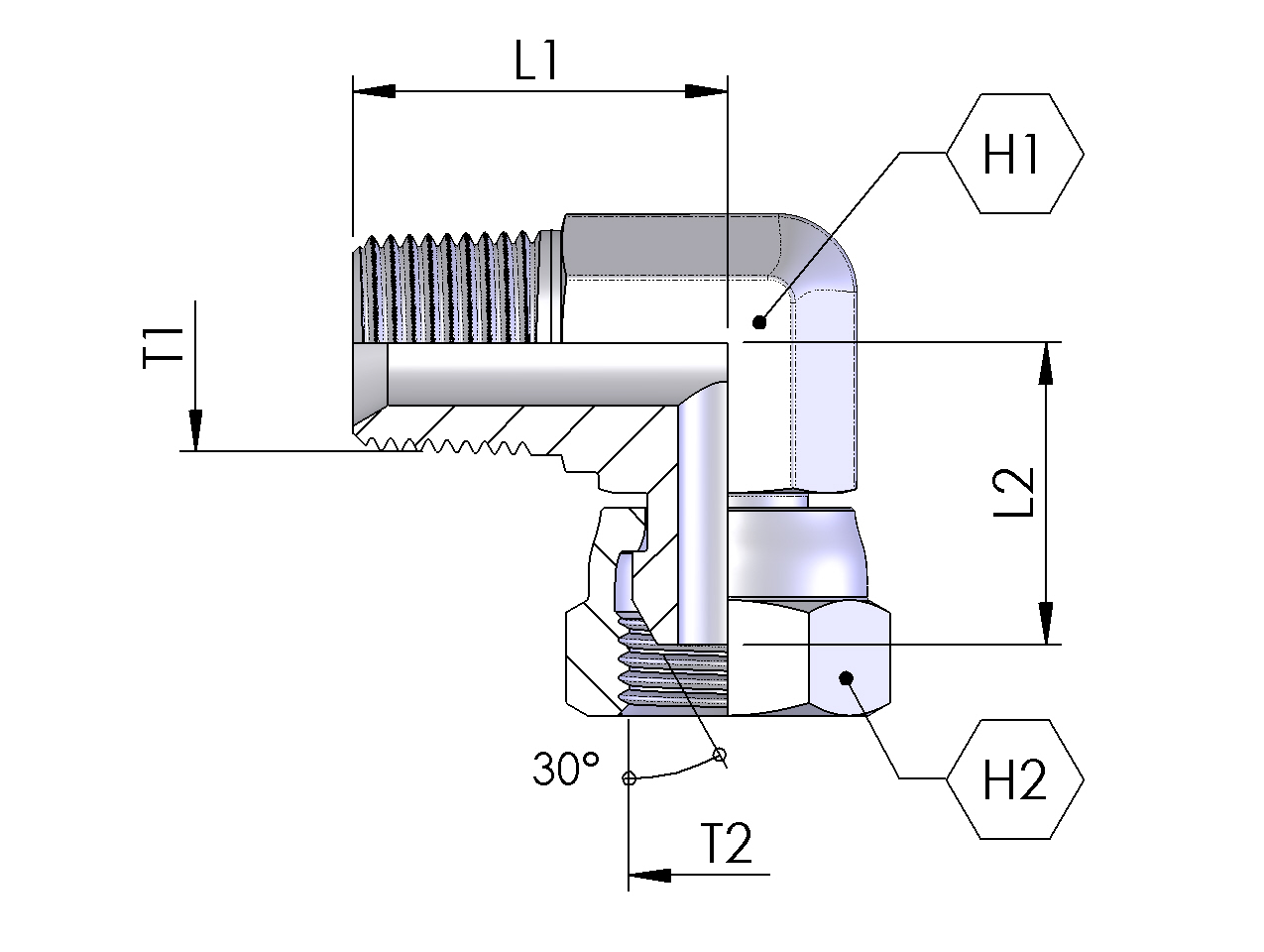
90 DEGREE ADAPTORS
BSPT MALE X BSP FEMALE
90 DEGREE ADAPTORS
BSPT MALE X BSP FEMALE

Product Data
A-C-90-0202
Short Code
AIC
T1
1/8-28
T2
1/8-28
H1
12
H2
14
L1
22
L2
19
PN (bar)
345
A-C-90-0404
Short Code
AID
T1
1/4-19
T2
1/4-19
H1
14
H2
19
L1
26
L2
23
PN (bar)
275
A-C-90-0406
Short Code
AIE
T1
1/4-19
T2
3/8-19
H1
19
H2
22
L1
32
L2
26
PN (bar)
275
A-C-90-0604
Short Code
AIF
T1
3/8-19
T2
1/4-19
H1
19
H2
19
L1
32
L2
25
PN (bar)
210
A-C-90-0606
Short Code
AIG
T1
3/8-19
T2
3/8-19
H1
19
H2
22
L1
32
L2
26
PN (bar)
210
A-C-90-0608
Short Code
AIH
T1
3/8-19
T2
1/2-14
H1
22
H2
27
L1
32
L2
29
PN (bar)
210
A-C-90-0806
Short Code
AII
T1
1/2-14
T2
3/8-19
H1
22
H2
22
L1
36
L2
27
PN (bar)
210
A-C-90-0808
Short Code
AIJ
T1
1/2-14
T2
1/2-14
H1
22
H2
27
L1
36
L2
29
PN (bar)
210
A-C-90-0812
Short Code
AIK
T1
1/2-14
T2
3/4-14
H1
27
H2
32
L1
43
L2
35
PN (bar)
210
A-C-90-1208
Short Code
AIL
T1
3/4-14
T2
1/2-14
H1
27
H2
27
L1
43
L2
33
PN (bar)
170
A-C-90-1212
Short Code
AIM
T1
3/4-14
T2
3/4-14
H1
27
H2
32
L1
43
L2
35
PN (bar)
170
A-C-90-1216
Short Code
AIN
T1
3/4-14
T2
1-11
H1
35
H2
41
L1
45
L2
40
PN (bar)
170
A-C-90-1612
Short Code
AIO
T1
1-11
T2
3/4-14
H1
35
H2
32
L1
48
L2
39
PN (bar)
140
A-C-90-1616
Short Code
AIP
T1
1-11
T2
1-11
H1
35
H2
41
L1
48
L2
40
PN (bar)
140
A-C-90-1620
Short Code
T1
1-11
T2
1.1/4-11
H1
H2
L1
L2
PN (bar)
A-C-90-2020
Short Code
AIQ
T1
1.1/4-11
T2
1.1/4-11
H1
41
H2
48
L1
57
L2
47
PN (bar)
80
A-C-90-2424
Short Code
AIR
T1
1.1/2-11
T2
1.1/2-11
H1
50
H2
58
L1
65
L2
53
PN (bar)
70
INTRODUCING NEW ENDURO SPIRAL HOSE
ENDURO spiral is an extremely flexible slim profile hose featuring our very high wear and abrasion resistant SuperTuff (ST) MSHA cover for increased protection against abrasion in severe operating environments.