Get the job done with the right equipment
Hydraulink provides a ‘matched system’ of hose and fittings, ensuring our products are engineered to work together to exceed international SAE and ISO standards and deliver outstanding application and safety performance. Our matched system provides optimal function, minimises risk and guarantees hose performance and safety for ultimate peace of mind when using Hydraulink as your supplier.
Hydraulink’s quality product is available in a complete range of braided and multispiral hydraulic hoses - for low to ultra high pressure applications. Our hose range includes speciality products for high abrasion, tight bend radius and high temperature applications.
The other integral part of the guaranteed matched system is Hydraulink’s fittings range which are manufactured to SAE and ISO standards - using premium steel stock sourced from European steel mills. Our comprehensive range of fittings is industry leading with over 5,000 product lines.
To compliment our product range, we also offer an assortment of accessories including Adaptors, Quick Release Couplers, Tube Clamps, Ball Valves, Assembly Equipment and Premium Hydraulic Oils.
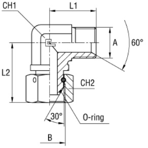
90 DEGREE ADAPTORS
BSP MALE X BSP FEMALE
90 DEGREE ADAPTORS
BSP MALE X BSP FEMALE

B-C-90
BSP MALE X BSP FEMALE
- ISO 8434-6
BSP 60° CONE MALE X BSP 60° CONE FEMALE SWIVEL NUT 90° ELBOW
Product Data
B-C-90-0404
A
1/4-19
B
1/4-19
L1
26
L2
33
CH1
14
CH2
19
B-C-90-0606
A
3/8-19
B
3/8-19
L1
L2
CH1
CH2
B-C-90-0808
A
1/2-14
B
1/2-14
L1
34
L2
43
CH1
22
CH2
27
B-C-90-1212
A
3/4-14
B
3/4-14
L1
L2
CH1
CH2
B-C-90-1616
A
1-11
B
1-11
L1
45
L2
61
CH1
33
CH2
41
INTRODUCING NEW ENDURO SPIRAL HOSE
ENDURO spiral is an extremely flexible slim profile hose featuring our very high wear and abrasion resistant SuperTuff (ST) MSHA cover for increased protection against abrasion in severe operating environments.