Get the job done with the right equipment
Hydraulink provides a ‘matched system’ of hose and fittings, ensuring our products are engineered to work together to exceed international SAE and ISO standards and deliver outstanding application and safety performance. Our matched system provides optimal function, minimises risk and guarantees hose performance and safety for ultimate peace of mind when using Hydraulink as your supplier.
Hydraulink’s quality product is available in a complete range of braided and multispiral hydraulic hoses - for low to ultra high pressure applications. Our hose range includes speciality products for high abrasion, tight bend radius and high temperature applications.
The other integral part of the guaranteed matched system is Hydraulink’s fittings range which are manufactured to SAE and ISO standards - using premium steel stock sourced from European steel mills. Our comprehensive range of fittings is industry leading with over 5,000 product lines.
To compliment our product range, we also offer an assortment of accessories including Adaptors, Quick Release Couplers, Tube Clamps, Ball Valves, Assembly Equipment and Premium Hydraulic Oils.
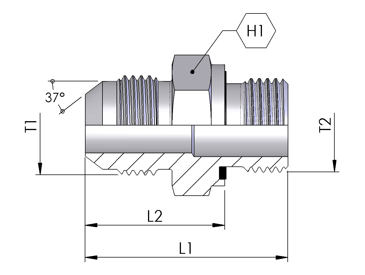
STRAIGHT ADAPTORS
JIC MALE X BSP MALE
STRAIGHT ADAPTORS
JIC MALE X BSP MALE

G-BX
JIC MALE X BSP MALE
- ISO 8434-2
JIC 37° FLARE MALE STRAIGHT X BSP STUD CAPTIVE SEAL STRAIGHT
Product Data
G-BX-0704
Short Code
CAT
T1
7/16-20
T2
1/4-19
H1
19
L1
35
L2
23
PN (bar)
350
G-BX-0706
Short Code
CAU
T1
7/16-20
T2
3/8-19
H1
22
L1
36
L2
24
PN (bar)
350
G-BX-0904
Short Code
CAV
T1
9/16-18
T2
1/4-19
H1
19
L1
35
L2
23
PN (bar)
350
G-BX-0906
Short Code
CAW
T1
9/16-18
T2
3/8-19
H1
22
L1
36
L2
24
PN (bar)
350
G-BX-0908
Short Code
CAX
T1
9/16-18
T2
1/2-14
H1
27
L1
40
L2
26
PN (bar)
350
G-BX-1206
Short Code
CAY
T1
3/4-16
T2
3/8-19
H1
22
L1
39
L2
27
PN (bar)
310
G-BX-1208
Short Code
CAZ
T1
3/4-16
T2
1/2-14
H1
27
L1
42
L2
28
PN (bar)
310
G-BX-1212
Short Code
CBA
T1
3/4-16
T2
3/4-14
H1
32
L1
46
L2
30
PN (bar)
310
G-BX-1408
Short Code
CBB
T1
7/8-14
T2
1/2-14
H1
27
L1
45
L2
31
PN (bar)
240
G-BX-1412
Short Code
CBC
T1
7/8-14
T2
3/4-14
H1
32
L1
48
L2
32
PN (bar)
240
G-BX-1708
Short Code
CBD
T1
1.1/16-12
T2
1/2-14
H1
30
L1
49
L2
35
PN (bar)
240
G-BX-1712
Short Code
CBE
T1
1.1/16-12
T2
3/4-14
H1
32
L1
51
L2
35
PN (bar)
240
G-BX-1716
Short Code
CBF
T1
1.1/16-12
T2
1-11
H1
41
L1
54
L2
36
PN (bar)
240
G-BX-1720
Short Code
CBG
T1
1.1/16-12
T2
1.1/4-11
H1
50
L1
58
L2
38
PN (bar)
240
G-BX-2112
Short Code
CBH
T1
1.5/16-12
T2
3/4-14
H1
36
L1
53
L2
37
PN (bar)
210
G-BX-2116
Short Code
CBI
T1
1.5/16-12
T2
1-11
H1
41
L1
55
L2
37
PN (bar)
210
G-BX-2120
Short Code
CBJ
T1
1.5/16-12
T2
1.1/4-11
H1
50
L1
60
L2
40
PN (bar)
210
G-BX-2616
Short Code
CBK
T1
1.5/8-12
T2
1-11
H1
46
L1
58
L2
40
PN (bar)
170
G-BX-2620
Short Code
CBL
T1
1.5/8-12
T2
1.1/4-11
H1
50
L1
60
L2
40
PN (bar)
170
G-BX-2624
Short Code
CBM
T1
1.5/8-12
T2
1.1/2-11
H1
55
L1
64
L2
42
PN (bar)
170
INTRODUCING NEW ENDURO SPIRAL HOSE
ENDURO spiral is an extremely flexible slim profile hose featuring our very high wear and abrasion resistant SuperTuff (ST) MSHA cover for increased protection against abrasion in severe operating environments.