Get the job done with the right equipment
Hydraulink provides a ‘matched system’ of hose and fittings, ensuring our products are engineered to work together to exceed international SAE and ISO standards and deliver outstanding application and safety performance. Our matched system provides optimal function, minimises risk and guarantees hose performance and safety for ultimate peace of mind when using Hydraulink as your supplier.
Hydraulink’s quality product is available in a complete range of braided and multispiral hydraulic hoses - for low to ultra high pressure applications. Our hose range includes speciality products for high abrasion, tight bend radius and high temperature applications.
The other integral part of the guaranteed matched system is Hydraulink’s fittings range which are manufactured to SAE and ISO standards - using premium steel stock sourced from European steel mills. Our comprehensive range of fittings is industry leading with over 5,000 product lines.
To compliment our product range, we also offer an assortment of accessories including Adaptors, Quick Release Couplers, Tube Clamps, Ball Valves, Assembly Equipment and Premium Hydraulic Oils.
- Product Catalogue
- Safety Data Sheets
90 DEGREE ADAPTORS
MET LIGHT MALE X MET LIGHT F/M
90 DEGREE ADAPTORS
MET LIGHT MALE X MET LIGHT F/M

90 DEGREE ADAPTORS
MET LIGHT MALE X MET LIGHT F/M
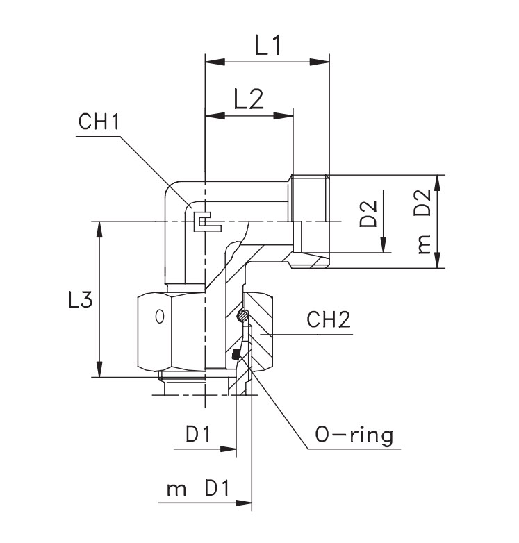
METRIC 24° CONE LIGHT MALE X METRIC 24° CONE LIGHT FEMALE SWIVEL NUT 90° ELBOW
Product Data
ML-UL-90-1212
Metric Male Thread
M12-1.5
Metric Female Thread
M12-1.5
suits tube
6
L1 - mm
19
L2 - mm
12
L3 - mm
26
Hex A/F (CH1)
12
Hex A/F (CH2)
14
PN (bar)
500
ML-UL-90-1414
Metric Male Thread
M14-1.5
Metric Female Thread
M14-1.5
suits tube
8
L1 - mm
21
L2 - mm
14
L3 - mm
28
Hex A/F (CH1)
12
Hex A/F (CH2)
17
PN (bar)
500
ML-UL-90-1616
Metric Male Thread
M16-1.5
Metric Female Thread
M16-1.5
suits tube
10
L1 - mm
22
L2 - mm
15
L3 - mm
29
Hex A/F (CH1)
14
Hex A/F (CH2)
19
PN (bar)
500
ML-UL-90-1818
Metric Male Thread
M18-1.5
Metric Female Thread
M18-1.5
suits tube
12
L1 - mm
24
L2 - mm
17
L3 - mm
30
Hex A/F (CH1)
17
Hex A/F (CH2)
22
PN (bar)
400
ML-UL-90-2222
Metric Male Thread
M22-1.5
Metric Female Thread
M22-1.5
suits tube
15
L1 - mm
28
L2 - mm
21
L3 - mm
33
Hex A/F (CH1)
19
Hex A/F (CH2)
27
PN (bar)
400
ML-UL-90-2626
Metric Male Thread
M26-1.5
Metric Female Thread
M26-1.5
suits tube
18
L1 - mm
31
L2 - mm
24
L3 - mm
36
Hex A/F (CH1)
24
Hex A/F (CH2)
32
PN (bar)
400
ML-UL-90-3030
Metric Male Thread
M30-2
Metric Female Thread
M30-2
suits tube
22
L1 - mm
35
L2 - mm
28
L3 - mm
39
Hex A/F (CH1)
27
Hex A/F (CH2)
36
PN (bar)
250
ML-UL-90-3636
Metric Male Thread
M36-2
Metric Female Thread
M36-2
suits tube
28
L1 - mm
38
L2 - mm
31
L3 - mm
42
Hex A/F (CH1)
36
Hex A/F (CH2)
41
PN (bar)
250
ML-UL-90-4545
Metric Male Thread
M45-2
Metric Female Thread
M45-2
suits tube
35
L1 - mm
45
L2 - mm
35
L3 - mm
42
Hex A/F (CH1)
41
Hex A/F (CH2)
50
PN (bar)
250
ML-UL-90-5252
Metric Male Thread
M52-2
Metric Female Thread
M52-2
suits tube
42
L1 - mm
51
L2 - mm
40
L3 - mm
56
Hex A/F (CH1)
50
Hex A/F (CH2)
60
PN (bar)
250
INTRODUCING NEW ENDURO SPIRAL HOSE
ENDURO spiral is an extremely flexible slim profile hose featuring our very high wear and abrasion resistant SuperTuff (ST) MSHA cover for increased protection against abrasion in severe operating environments.