Get the job done with the right equipment
Hydraulink provides a ‘matched system’ of hose and fittings, ensuring our products are engineered to work together to exceed international SAE and ISO standards and deliver outstanding application and safety performance. Our matched system provides optimal function, minimises risk and guarantees hose performance and safety for ultimate peace of mind when using Hydraulink as your supplier.
Hydraulink’s quality product is available in a complete range of braided and multispiral hydraulic hoses - for low to ultra high pressure applications. Our hose range includes speciality products for high abrasion, tight bend radius and high temperature applications.
The other integral part of the guaranteed matched system is Hydraulink’s fittings range which are manufactured to SAE and ISO standards - using premium steel stock sourced from European steel mills. Our comprehensive range of fittings is industry leading with over 5,000 product lines.
To compliment our product range, we also offer an assortment of accessories including Adaptors, Quick Release Couplers, Tube Clamps, Ball Valves, Assembly Equipment and Premium Hydraulic Oils.
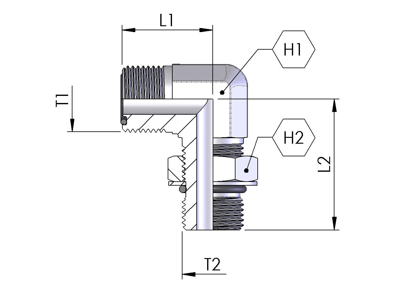
90 DEGREE ADAPTORS
ORFS MALE X UNO ADJUSTABLE
90 DEGREE ADAPTORS
ORFS MALE X UNO ADJUSTABLE

Product Data
R-NP-90-0907
Short Code
EBM
T1
9/16-18
T2
7/16-20
H1
14
H2
17
L1
22
L2
32
PN (bar)
400
R-NP-90-0909
Short Code
EBN
T1
9/16-18
T2
9/16-18
H1
17
H2
19
L1
24
L2
36
PN (bar)
400
R-NP-90-1107
Short Code
T1
11/16-16
T2
7/16-20
H1
H2
L1
L2
PN (bar)
R-NP-90-1109
Short Code
EBQ
T1
11/16-16
T2
9/16-18
H1
17
H2
19
L1
25
L2
36
PN (bar)
400
R-NP-90-1112
Short Code
EBR
T1
11/16-16
T2
3/4-16
H1
19
H2
24
L1
27
L2
41
PN (bar)
400
R-NP-90-1309
Short Code
EBS
T1
13/16-16
T2
9/16-18
H1
19
H2
19
L1
28
L2
37
PN (bar)
400
R-NP-90-1312
Short Code
EBT
T1
13/16-16
T2
3/4-16
H1
19
H2
24
L1
28
L2
41
PN (bar)
400
R-NP-90-1314
Short Code
T1
13/16-16
T2
7/8-14
H1
24
H2
27
L1
31
L2
50
PN (bar)
R-NP-90-1612
Short Code
EBW
T1
1-14
T2
3/4-16
H1
24
H2
24
L1
34
L2
46
PN (bar)
400
R-NP-90-1614
Short Code
EBX
T1
1-14
T2
7/8-14
H1
24
H2
27
L1
34
L2
50
PN (bar)
400
R-NP-90-1917
Short Code
ECA
T1
1.3/16-12
T2
1.1/16-12
H1
30
H2
36
L1
38
L2
55
PN (bar)
400
R-NP-90-2321
Short Code
ECD
T1
1.7/16-12
T2
1.5/16-12
H1
36
H2
41
L1
42
L2
60
PN (bar)
315
R-NP-90-2726
Short Code
ECE
T1
1.11/16-12
T2
1.5/8-12
H1
41
H2
50
L1
45
L2
62
PN (bar)
250
INTRODUCING NEW ENDURO SPIRAL HOSE
ENDURO spiral is an extremely flexible slim profile hose featuring our very high wear and abrasion resistant SuperTuff (ST) MSHA cover for increased protection against abrasion in severe operating environments.